輪胎定型硫化機平面二次包絡減速機型號參數
2018-07-24 10:29:33
(一)產品介紹
輪胎定型硫化機專用平面二次包絡減速機內部采用平面二次包絡蝸輪蝸桿副,其承載能力
大,傳動效率高,結構緊湊、合理。該減速機適用于輪胎定型硫化機,此減速機是按照中華人民共和國化工行業標準日GIT 2738-95設計制造。
(二)產品特點
由于采用平面二次包絡蝸輪蝸桿副傳動,與普通圓柱蝸輪蝸桿副相比,具有如下特點:承載能力大;結構緊湊;傳動效率高;運轉平穩、噪音低;使用壽命長。
(三)型號系列
單級平面二次包絡環面蝸桿減速機中心距:260, 320, 360, 450mmo
雙級平面二次包絡環面蝸桿減速機中心距:140,280mmo
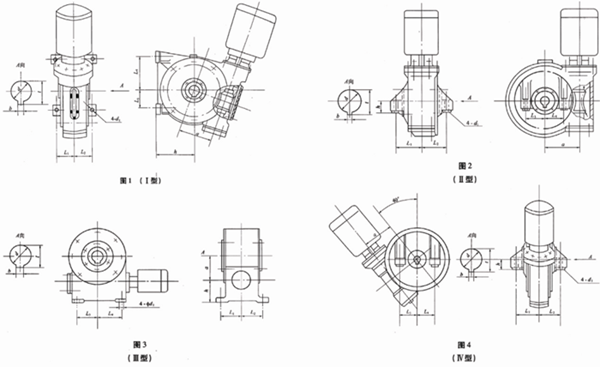
(四)結構型式
輪胎定型硫化機專用平面二次包絡蝸輪蝸桿減速機的結構型式如下圖所示:

(五)基本參數
輪胎定型硫化機專用平面二次包絡蝸輪蝸桿減速機的基本參數及主要安裝尺寸要求如下圖所示:
